Varme
Tekniske artikler
Smøreudstryr
Ventilation
Hus og have
Ecodora

ALA5450.401

Slangerulle med 10 m slange

Lukket 10 m slangerulle til olie og kølervæske m.m.

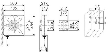
Fabrikat: Ecodora. Offwhite lakeret stålkabinet med ABS-tromle monteret med 10 m 1/2" olieslange med 1/2"URG-afgang. 0,6 m tilgangsslange med 1/2" IRG-omløber medfølger (ej vist på billedet). Maks. 150 bar. Polyuretan pakning. Kabinet mål: 485 x 485 mm.

Oprulleren findes uden slanger som nr. ALA5450.400.

For montering til ¾” rørsystemer anbefales brug af monteringssæt, varenr. 25SLMONT

Fremstillet i overensstemmelse med Atex direktiv 94/9

DKK 4.264,69

inkl. moms

På lager
  • Produktnavn Slangerulle Ecodora 10 m luk./olie
    Højde (mm) 485
    Længde (mm) 485

Andre så også