Varme
Tekniske artikler
Smøreudstryr
Ventilation
Hus og have
Ecodora

ECOD56430

Ecodora åben RF aut. slangeopruller til luft/vand/dieselolie m.m. Leveres UDEN slange

Italiensk topkvalitet

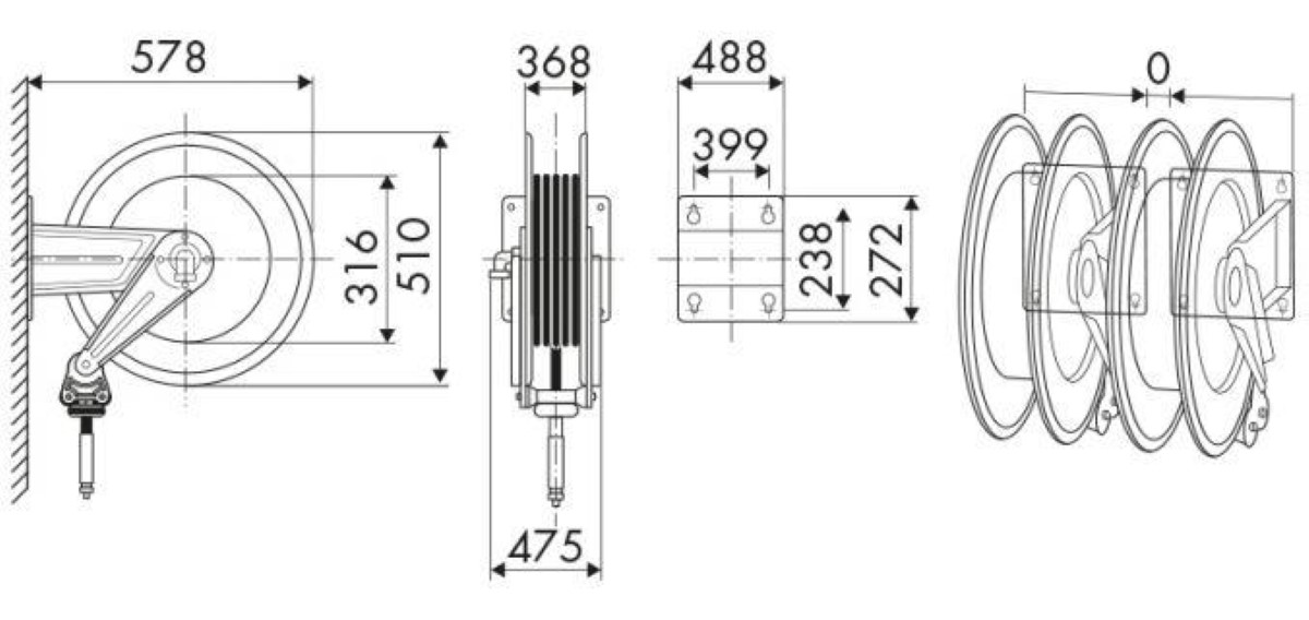
Fabrikat: Ecodora. 3/8”-1/2”slangerulle fremstillet i AISI 304 RF-stål til luft, vand eller dieselolie m.m. Leveres uden slange. Type 562 med justerbar aftræksarm. Ind/udg.: 3/8” /1/2” IRG. Maks. 200 bar. Temp.: maks.130° C. Rustfrit (AISI304) drejeled og centeraksel samt Viton® pakninger.

Denne slangerulle rummer maks. 60 m 3/8”, ½” eller 5/8" slange.

Ydermål: 578 x 522 mm. Tromlediameter: 510 mm. Tromlebredde: 368 mm. Vægt ca. 39 Kg.

Ecodora varenummer: 564/30

Dette er en skaffevare

Andre så også